深海喷口中的细菌如何处理有毒金属环境
来自深海热液喷口的活跃烟囱,位于冲绳海槽,堺油田(Noho站点)。图片来源:全球海洋环境信息中心 (GODAC)
(蜘蛛网eeook.com)据美国物理学家组织网(作者:Dani Ellenby,冲绳科学技术研究所):在想象深海时,我们经常会想到一片寒冷、黑暗、空旷的荒原,稀疏的深海生物。但在海床的裂缝中,被地球岩浆过热并富含地壳矿物质的海水向上涌出,形成热液喷口,作为多样化和独特海洋生态系统的绿洲。
为地球上大多数生命提供动力的阳光无法穿透这些广阔的深处。相反,这里的生物,如管虫、螃蟹和贻贝,都依赖细菌,细菌可以从喷口释放的化合物中捕获化学能。
现在,冲绳科学技术研究所(OIST)的一组研究人员与日本海洋地球科学技术机构(JAMSTEC)合作,确定了细菌如何适应热液喷口释放的有毒金属。他们的研究结果发表在《环境微生物学》杂志上。
“热液喷口可能是地球上发现的最极端的环境,高压,高温,没有氧气和丰富的有毒金属,”海洋生物物理学部门的前博士后研究员Angela Ares博士(Satoshi Mitarai教授)说。“细菌是神奇的生物,并且已经设法适应了这种具有挑战性的条件。了解他们如何成功可能会导致真正重要的应用,例如清理泄漏到环境中的有毒金属的新解决方案。
在这项研究中,Ares博士和她的同事专注于Nitratirutorsp.SB155-2的金属耐受策略。这种细菌是从冲绳海槽的喷口中分离出来的,并由JAMSTEC培养并提供给OIST。
暴露于镉的细菌(右)比未暴露于镉的细菌(左)更容易形成鞭毛。信用:OIST
总的来说,细菌处理有毒金属有三种主要方式。一种方法是连续地将细胞内的金属离子泵回周围环境。另一种策略是将有毒金属隔离成细胞内的颗粒,这样它们就不会干扰细菌的代谢反应。最后,细菌可以制造和释放酶,使金属结晶或沉淀成细胞外的无毒化合物。
研究人员寻找细菌策略的异同,以应对这些喷口中常见的两种不同金属镉和铜。
“这两种金属即使在低浓度下也是有毒的,但有一个关键的区别 - 细菌需要微量的铜,而镉没有已知的生物学功能,”Ares博士解释说。“我们预计细菌因此可能对铜具有比镉更复杂的反应,因此铜浓度可以得到密切调节。
研究人员首先确定了细菌在停止生长之前可以耐受的每种金属的最高浓度。然后,研究小组将用这些水平的有毒金属培养的细菌与没有有毒金属培养的细菌进行了比较,以了解哪些基因或多或少具有活性,哪些蛋白质或多或少丰富。
研究人员发现,细菌使用转运蛋白作为一般的非特异性策略,将镉和铜从细胞中泵出。然而,细菌对这两种金属的反应也存在明显差异。
深海热液喷口细菌具有含镉颗粒(光斑),当暴露于高浓度的有毒金属镉时,这些颗粒会变得更大、更丰富。信用:OIST
“对于铜,我们发现涉及与运输泵相关的基因数量要多得多,以及其他与压力相关的途径所涉及的基因。这表明对铜的反应确实更加复杂,可以微调铜浓度,“Ares博士说。
另一方面,细菌也使用铜未见的方法对镉做出反应。最令人惊讶的反应之一是参与鞭毛形成和趋化性(响应化学线索的运动)的基因活性增加。
“测量基因表达是一回事,但眼见为实,所以我们使用扫描电子显微镜检查了细菌,”Ares博士说。“令人惊讶的是,暴露于镉的细菌确实比我们的非应激细菌更容易有鞭毛。
鞭毛有助于推动细菌四处走动,因此一种可能的解释是,当镉含量过高时,应激细菌会试图移动到更有利的环境中。趋化性在这里也发挥作用,因为细菌远离或走向特定的化学线索以找到更好的生长条件,而不仅仅是随机移动。
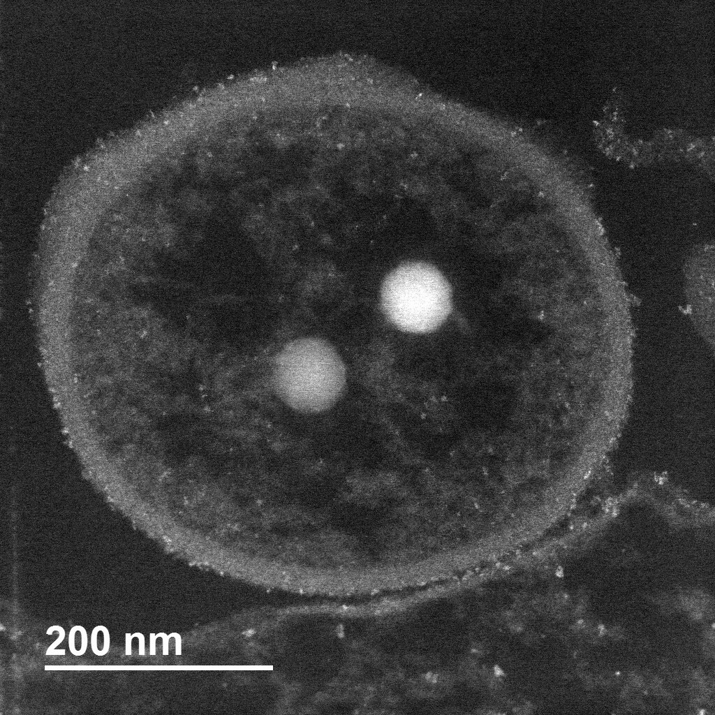
OIST最先进的电子显微镜还使该团队能够检测细菌细胞壁外部沉淀物硫酸镉的积聚。研究人员还发现,细菌内的颗粒也含有镉,变得更大更丰富。
“看到细菌使用这些方法来解毒镉真的很令人兴奋,因为它为科学家提供了一条新的途径来探索在不依赖碳密集型方法的情况下清理重金属,”Ares博士说。















